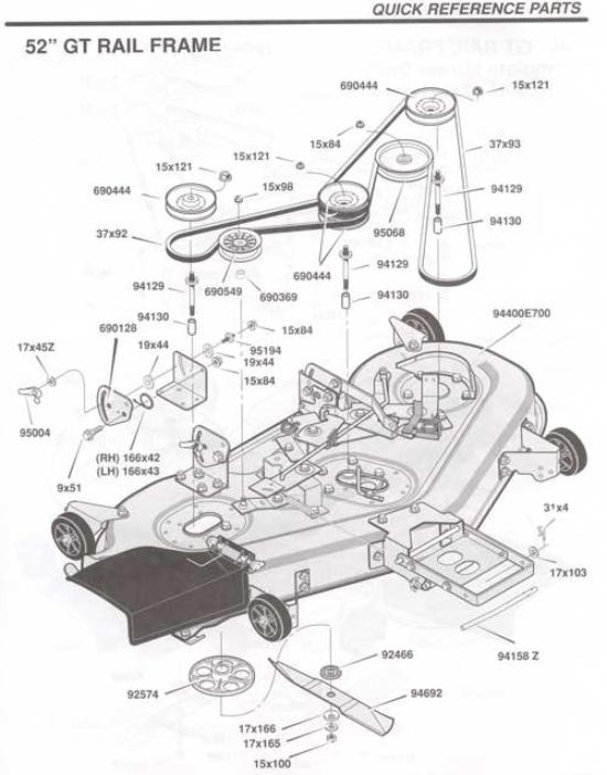
52" Murray Deck Replacement Parts
Find your part number in the diagram and then enter it in the search box
site search
by
freefind
advanced
Search for part number here
site search
by
freefind
advanced
Search for part number here
View Cart
C-EQUIPMENT.COM
Small Engine Parts Specialists
Email us at
parts
@c-equipment.com